Разработка устройства мониторинга электротехнического оборудования: цели, задачи, методы, структура устройства
- 作者: 1
-
隶属关系:
- Самарский государственный технический университет
- 期: 卷 1 (2025)
- 页面: 339-341
- 栏目: ЧАСТЬ I. Электроэнергетика
- ##submission.dateSubmitted##: 25.05.2025
- ##submission.dateAccepted##: 16.06.2025
- ##submission.datePublished##: 02.11.2025
- URL: https://modernonco.orscience.ru/osnk-sr2025/article/view/680405
- ID: 680405
如何引用文章
全文:
详细
Обоснование. Уже на протяжении многих лет одним из основных направлений в электроэнергетике является переход к техническому обслуживанию и ремонтам (ТОиР) по состоянию. Затрагивает эта тенденция и распределительные сети классов напряжения 6–20 кВ, которые играют важнейшую роль в электроснабжении конечных потребителей. В то же время на эти сети приходится непропорционально большое количество аварийных отключений, которое может составлять до 80 % и более согласно данным статистики [1]. С целью снижения аварийности применяются различные устройства мониторинга технического состояния оборудования комплектных распределительных устройств, например [2–4]. Также известен ряд патентов по данной тематике (патенты РФ № 2454772 C1, № 2703279 C1, № 2554574 C2). Несмотря на это, отсутствует полностью универсальное и практически эффективное ращение.
Цель — разработка методов оценки и прогнозирования состояния оборудования КРУ 6–20 кВ и реализация данных методов в составе экспериментального устройства.
Методы. Достигается поставленная цель путем решения следующих задач:
- Анализ статистических показателей аварийности.
- Создание устройства-регистратора, обеспечивающего фиксацию основных эксплуатационных параметров оборудования.
- Установка устройства-регистратора на испытательной ячейке КРУ 6–20 кВ и фиксация изменения параметров в разных режимах работы. 4. Анализ полученных с устройства-регистратора данных, разработка и реализация в устройстве модели обработки данных.
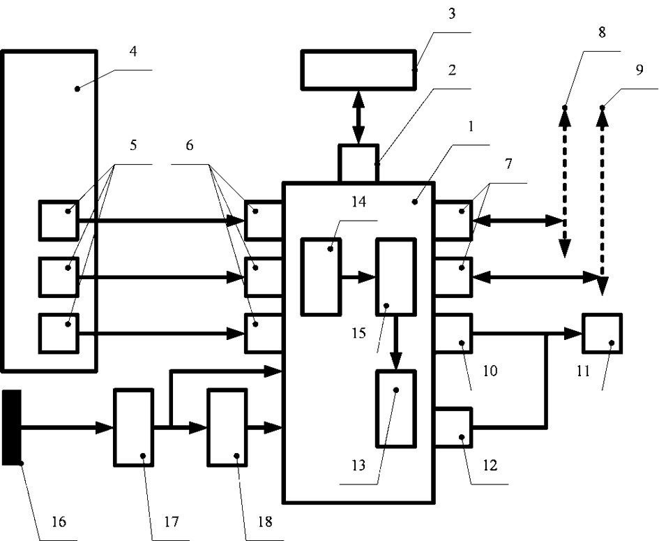
Результаты. В результате проделанной работы и анализа существующих разработок и решений в данном направлении (см. выше), была разработана структура нового универсального устройства мониторинга технического состояния (рис. 1) (заявка на изобретение № 2025103303 от 14.02.2025). На рис. 1 приняты следующие обозначения: 1 — контроллер, 2 — последовательный порт, 3 — сенсорный экран, 4 — электротехническое оборудование, 5 — цифровые датчики состояния оборудования, 6 — универсальные цифровые входы, 7 — дублированные порты Ethernet, 8 — шина станции, 9 — шина процесса, 10 — дискретные выходы на внешние устройства, 11 — внешние устройства, 12 — блок беспроводной связи, 13 — блок обработки данных, 14 — блок регистратора событий, 15 — встроенная память, 16 — сеть оперативного тока, 17 — блок питания, 18 — накопитель энергии.
Был сконструирован экспериментальный образец устройства (рис. 2). Устройство состоит из одноплатного компьютера, сенсорного экрана, встроенного блока питания и оборудовано цифровыми входами для датчиков, а также дискретными оптронными входами и релейными выходами. Для регистрации токов используются датчики тока с аналогово-цифровыми преобразователями ADS 1115. Для регистрации вибрационного отклика используется акселерометр ADXL 345 и контроллер ESP-32. Тепловизионная матрица MLX 90640 используется для контроля контактных соединений и уточненного расчета теплового интеграла I2t. Предусмотрен датчик световой вспышки.
Рис. 1. Структура разработанного устройства
Рис. 2. Общий вид экспериментального образца устройства
Для работы устройства было разработано программное обеспечение на языке Java, обеспечивающее регистрацию и анализ данных с датчиков. Одна из особенностей устройства — запись осциллограмм отраслевого стандарта COMTRADE, отражающих динамику параметров при коммутациях выключателя КРУ (рис. 3).
Рис. 3. Осциллограмма, записанная устройством при испытаниях. Показаны ток в цепи управления, вибрационный отклик и ток в силовой цепи
Выводы. При поддержке АО ГК «Электрощит Самара» были проведены испытания экспериментального образца устройства, показавшие его работоспособность в условиях, близких к промышленным. Дальнейшая работа направлена на разработку алгоритмов, позволяющих автоматизировано получать дополнительные показатели работы выключателя КРУ (собственное и полное время коммутации, фактическое значение теплового интеграла I2t) на основании показаний датчиков. При помощи отслеживания динамики изменения этих параметров устройство обеспечивает оценку остаточного срока службы ячейки КРУ.
全文:
Обоснование. Уже на протяжении многих лет одним из основных направлений в электроэнергетике является переход к техническому обслуживанию и ремонтам (ТОиР) по состоянию. Затрагивает эта тенденция и распределительные сети классов напряжения 6–20 кВ, которые играют важнейшую роль в электроснабжении конечных потребителей. В то же время на эти сети приходится непропорционально большое количество аварийных отключений, которое может составлять до 80 % и более согласно данным статистики [1]. С целью снижения аварийности применяются различные устройства мониторинга технического состояния оборудования комплектных распределительных устройств, например [2–4]. Также известен ряд патентов по данной тематике (патенты РФ № 2454772 C1, № 2703279 C1, № 2554574 C2). Несмотря на это, отсутствует полностью универсальное и практически эффективное ращение.
Цель — разработка методов оценки и прогнозирования состояния оборудования КРУ 6–20 кВ и реализация данных методов в составе экспериментального устройства.
Методы. Достигается поставленная цель путем решения следующих задач:
- Анализ статистических показателей аварийности.
- Создание устройства-регистратора, обеспечивающего фиксацию основных эксплуатационных параметров оборудования.
- Установка устройства-регистратора на испытательной ячейке КРУ 6–20 кВ и фиксация изменения параметров в разных режимах работы. 4. Анализ полученных с устройства-регистратора данных, разработка и реализация в устройстве модели обработки данных.
Результаты. В результате проделанной работы и анализа существующих разработок и решений в данном направлении (см. выше), была разработана структура нового универсального устройства мониторинга технического состояния (рис. 1) (заявка на изобретение № 2025103303 от 14.02.2025). На рис. 1 приняты следующие обозначения: 1 — контроллер, 2 — последовательный порт, 3 — сенсорный экран, 4 — электротехническое оборудование, 5 — цифровые датчики состояния оборудования, 6 — универсальные цифровые входы, 7 — дублированные порты Ethernet, 8 — шина станции, 9 — шина процесса, 10 — дискретные выходы на внешние устройства, 11 — внешние устройства, 12 — блок беспроводной связи, 13 — блок обработки данных, 14 — блок регистратора событий, 15 — встроенная память, 16 — сеть оперативного тока, 17 — блок питания, 18 — накопитель энергии.
Был сконструирован экспериментальный образец устройства (рис. 2). Устройство состоит из одноплатного компьютера, сенсорного экрана, встроенного блока питания и оборудовано цифровыми входами для датчиков, а также дискретными оптронными входами и релейными выходами. Для регистрации токов используются датчики тока с аналогово-цифровыми преобразователями ADS 1115. Для регистрации вибрационного отклика используется акселерометр ADXL 345 и контроллер ESP-32. Тепловизионная матрица MLX 90640 используется для контроля контактных соединений и уточненного расчета теплового интеграла I2t. Предусмотрен датчик световой вспышки.
Рис. 1. Структура разработанного устройства
Рис. 2. Общий вид экспериментального образца устройства
Для работы устройства было разработано программное обеспечение на языке Java, обеспечивающее регистрацию и анализ данных с датчиков. Одна из особенностей устройства — запись осциллограмм отраслевого стандарта COMTRADE, отражающих динамику параметров при коммутациях выключателя КРУ (рис. 3).
Рис. 3. Осциллограмма, записанная устройством при испытаниях. Показаны ток в цепи управления, вибрационный отклик и ток в силовой цепи
Выводы. При поддержке АО ГК «Электрощит Самара» были проведены испытания экспериментального образца устройства, показавшие его работоспособность в условиях, близких к промышленным. Дальнейшая работа направлена на разработку алгоритмов, позволяющих автоматизировано получать дополнительные показатели работы выключателя КРУ (собственное и полное время коммутации, фактическое значение теплового интеграла I2t) на основании показаний датчиков. При помощи отслеживания динамики изменения этих параметров устройство обеспечивает оценку остаточного срока службы ячейки КРУ.
作者简介
Самарский государственный технический университет
编辑信件的主要联系方式.
Email: wormslabs@yandex.ru
аспирант кафедры «Автоматизированные электроэнергетические системы»
俄罗斯联邦, Самара参考
- rossetimr.ru [Электронный ресурс] Техническое состояние сетей ПАО «Россети Московский регион». Режим доступа: https://rossetimr.ru/client/electricity_transmission/tex_sostoyanie_setei/#tab-tss2016-link Дата обращения: 20.05.2025.
- rtsoft.ru [Электронный ресурс] АСМ ЭСО. Режим доступа: https://www.rtsoft.ru/catalog/avtomatizirovannye-kompleksy-i-sistemy/asu-energoresursami-asu-e/asm-eso/ Дата обращения: 20.05.2025.
- gkresurs.ru [Электронный ресурс] Система мониторинга электрооборудования Smart TPD-BOX. Режим доступа: https://gkresurs.ru/catalog/sistemy_monitoringa_elektrooborudovaniya/sistema_monitoringa_transformatora_smart_tpd_box/ Дата обращения: 20.05.2025.
- Ботов С.В. Управление эксплуатацией высоковольтных кабельных линий и комплектных распределительных устройств по техническому состоянию // Энергоэксперт. 2020. № 2(74). С. 57–61. EDN: KJFREM
补充文件






